作为汽车安全的“最后一道防线”,汽车刹车系统一直备受争议,这些年的“单踏板之争”,纠结的也都是安全这个议题。毕竟,刹车系统的安全性,直接决定着能否避免某些意外事故,守护驾乘安全。
不过,明年开始,可能大家就不需要纠结刹车安全这件事了,因为,线控制动这个技术被新国标开了“绿灯”,可能要“上车”了。而如果真是这样,明年刹车可能真会迎来史诗级更新。
那么,EMB 到底是什么?这种线控制动技术如果普遍用在汽车上,对咱们老百姓来说,会不会安全升级呢?接下来,老狐就和大家聊聊这事。
在聊 EMB 之前,我们先回顾一下比较常见的制动技术方案。也就是流行多年的传统液压刹车系统以及 EHB(也就是电子液压制动系统)。传统液压刹车系统的传动逻辑是“踏板-制动液-分缸”,通过制动液传递踏板力,推动刹车片与刹车盘摩擦产生制动力。
虽然之前这一方案的可靠性也不错,但到了智电时代,这其局限性也开始显现。比如高速紧急制动的时候,液压管路的力传递延迟会延长制动距离;湿滑路面也容易出现车轮抱死,丧失操控稳定性等缺点都越发明显。
EHB(也就是电子液压制动系统)作为“过渡性方案”,逻辑上比传统方案更具安全性,毕竟有了电子控制单元,可以实现单轮制动力精准分配了,集成 ABS、ESP 等主动安全功能之后,复杂路况下的制动稳定性有所提升。
不过,EHB 毕竟还在液压体系的范畴里,管路维护成本高、轻量化效果有限是其一,而且得配备冗余备份系统应对电控故障,安全隐患还是比较大。
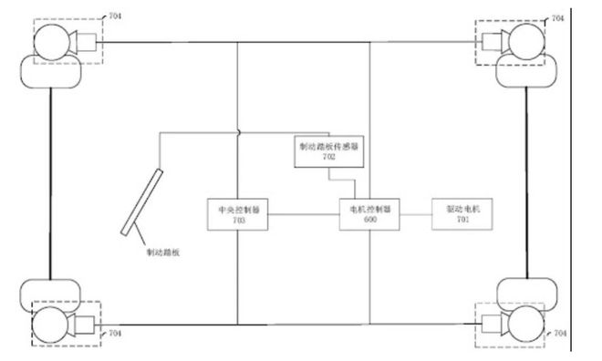
而 EMB 就不一样了,这个技术其实就是全线控制动技术。它彻底摒弃了传统液压管路,核心逻辑是“电机直驱”。也就是每个车轮配备独立驱动电机,踏板信号经电子控制单元处理后,直接指令电机通过减速机构驱动制动卡钳,完成制动力输出。
从结构上看,这是一种“无介质传递”的结构,好处显而易见。通过电机直接控制卡钳,可以实现 100ms 内响应、精准轮端控制,并减轻重量、节省空间,看得出来,这么一来,确实可能为刹车安全带来质的飞跃。
汽车制动技术的演进,其实一直是由安全贯穿的,从机械制动到主流液压制动,再到如今的线控制动,我们可以发现,每一次迭代都在突破安全边界。从本质上来说,“上车”EMB技术的本质,是汽车安全的又一次升级。
EMB 技术亮点够多,在新能源汽车与智能驾驶对制动系统有更高要求的大背景之下,中国新国标 GB21670-2025 也是为线控制动技术开了“绿灯”。现在博世、大陆及京西集团等企业也在加速布局,EMB 有望快速上车,推动国产底盘技术升级。
不过,有一个问题还是无可避免,那就是,新技术是否会增加大家的购车成本。从目前已知的情况来看,答案是肯定的。至于原因,看了新国标的相关要求,大家也就懂了。
新国标最核心的要求集中在安全冗余与功能安全等级两大维度,在电源冗余方面,标准明确主电源失效时,备用电源需在 5 秒内无缝接管供电,确保制动系统不中断工作;
故障报警机制要求,系统检测到异常后,必须在 60 秒内发出声光报警,为驾驶员预留应急处置时间。
同时,标准还强制要求 EMB 达到汽车电子领域最高的 ASIL D 级安全水平,也就是系统失效概率得低于 1FIT(每十亿小时故障次数≤1)。
这意味着什么?也就是说,想做到这一点,EMB 硬件层面需要采用双电机、双控制器冗余设计,软件层面需通过多轮代码审查、极端工况测试,杜绝漏洞导致的系统失效。
再加上要有安全保障,还得完成高温、低温、高湿等极端环境下的台架测试,以及百万公里实车路测,来验证可靠性。安全冗余做这么多,严苛标准之下,初期研发与生产投入的成本自然就上来了。
七七八八算下来,EMB 的成本可能要比 EHB 高出 30%-50%。而这么高的成本施加在消费者身上,恐怕没几个人能吃得消。好在,现在降本路径也已经出来了。
接下来,如果企业可以在技术层面,通过集成化设计减少零部件数量,硬件成本还能降低不少。产业层面,主机厂与供应商再通过规模化生产,包括本地化采购来摊薄成本,一旦形成规模效应,成本压缩也是指日可待。
EMB 技术的优势肉眼可见,但这几年我们其实并没看到多少车企在做这件事,包括全线 ,全轮线控转向的 Cybertruck 也都还是 EHB 的方案。究其原因,EMB 的成本和安全担忧可以说是比较核心的两个因素。
一方面,EMB 技术的安全是理论层面的,之前没有标准要求,各家车企心思不一,应用在汽车上是不是真的可以提升安全性,其实很难说。
另一方面,正如上文所说,想让这个方案真正的够安全,成本是必须考虑的问题。而在这一技术不被大面积应用的时候,规模化无从谈起,所以,成本高是一个非常大的门槛。
目前来看,EMB 商业化落地可能性很大。新国标GB 21670-2025,已经针对EMB 制定了严苛的技术规范,而且明年就会实施,这已经是一个非常强大的“推手”了。
再加上今年以来,行业内“质量竞争”的口号喊的够猛,安全性会成为未来产品力竞争中的关键一环,技术竞赛之下,EMB 技术大概率会被快速推动。
更何况,EMB 能与自动驾驶系统实现毫秒级联动,支撑自动紧急制动、车道保持辅助等功能的精准落地,是 L4 级自动驾驶商业化的关键前提。现在正是智驾系统竞争激烈的时期,EMB 具备比较好的生长土壤。
EMB 的普及应该还有待时日。从市场渗透路径来看,EMB 很可能会率先应用于新能源汽车与高端车型,毕竟,新能源汽车对轻量化、低能耗的需求与 EMB 技术高度更契合,而高端车型也需要这些新技术来提升产品竞争力。
当然,随着新能源渗透率的不断提升,这一技术最终还是会走向普及的道路。其精准的制动能力也可能在商用车中被广泛应用。
从液压制动到 EMB 电子机械制动,这是一场关乎安全的技术变革。其意义也不仅是制动方式的升级,更意味着汽车已经开始从“机械产品”转向“智能终端”。当然,新技术的普及一定不是一日之功,真正要全面惠及用户,需要主机厂、供应商、科研机构与监管部门协同发力。从其技术优势上看,如果将来成本进一步降低、可靠性提升,这一技术方案将是汽车安全的一个重要防线。总体来说,一个有新国标把关的制动变革,值得我们期待。
简体中文
