背压回路通过在执行元件的回油路上设置背压阀(如溢流阀),使回油路保持一定压力,防止执行元件因负载突然减小而产生前冲或振动。该回路常用于提升机构或垂直运动液压缸,以确保运动平稳。背压阀的设定压力通常较低,在0.3~0.8 MPa之间,过高的背压会增加系统功耗和发热。
直动溢流阀利用阀芯底部的液压作用力直接与弹簧力平衡来控制压力。当进口压力超过弹簧设定值时,阀芯抬起,油液溢流回油箱,从而限制系统最高压力。其结构简单、响应快,但压力波动较大,通常用于低压或小流量场合,或作为先导阀使用。
该回路采用比例溢流阀,通过电信号远程无级调节系统压力。比例电磁铁接收控制信号,输出与信号成比例的力,调节先导压力,从而改变主阀开启压力。该回路可实现压力连续调节和远程控制,适用于需要频繁调压或自动化控制的液压系统。
齿轮泵依靠一对啮合齿轮的齿槽分离形成低压吸油,齿槽啮合挤压油液输出高压油。结构简单、体积小、成本低,但对油液污染敏感,容积效率较低,输出压力脉动较大。常用于中低压液压系统或作为辅助泵。
变量泵回路通过改变泵的排量来调节输出流量,从而控制系统执行元件的速度。变量方式有压力补偿、负载敏感或手动调节等。该回路节能效果好,能适应负载变化,广泛用于工程机械和工业液压系统。
叶片马达利用压力油推动转子槽内的叶片,使转子旋转输出扭矩。其结构紧凑、转速高、运转平稳,但容积效率较低,启动扭矩较小。常用于中高速、低扭矩的旋转驱动场合。
冲液阀(亦称补油阀)用于快速运动回路,当执行元件需快速前进时,通过冲液阀从油箱或低压侧补充油液,避免吸空。通常与差动连接或蓄能器配合使用,提高执行元件速度。
普通单向阀只允许油液单向流动,反向截止。其依靠弹簧力和油液压力使阀芯闭合,结构简单、密封可靠。常用于防止油液倒流、分隔油路或作为背压阀使用。
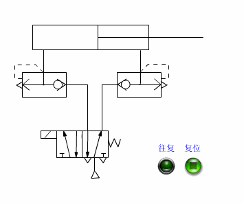
串联同步回路将两液压缸的油路串联,使进入第一个缸的油液全部进入第二个缸,实现两缸位移同步。该回路结构简单,但同步精度受缸的泄漏和制造误差影响,且系统压力为两缸负载压力之和。
液控单向阀在普通单向阀基础上增加控制油口,当控制油口通压力油时,可反向开启,允许油液双向流动。常用于液压缸锁紧、保压或充液回路,锁紧效果优于滑阀。
该回路通过电磁换向阀控制溢流阀的遥控口通油箱,使溢流阀全开,泵输出的油液以低压流回油箱,实现泵卸荷。可减少系统发热和能耗,延长泵寿命。常用于液压系统间歇工作或保压结束后的卸荷。
先导溢流阀由先导阀和主阀组成。先导阀调定压力,控制主阀启闭。当系统压力超过先导阀设定值时,先导阀开启,主阀芯上下形成压差,主阀开启溢流。其调压稳定、波动小,适用于高压大流量系统。
低压溢流阀结构与直动溢流阀相似,但弹簧刚度较小,设定压力较低(通常1 MPa)。常用于产生背压、稳定控制压力或作为安全阀使用,防止回路压力过低导致执行元件运动不稳。
分流阀(同步阀)将一路进油按固定比例分成两路输出,驱动两个执行元件实现速度同步。其同步精度受阀的制造精度和负载差异影响,适用于负载较平衡、同步要求不高的场合。
该阀有两个工作位置和两个油口,用于控制油路的通断。通常为常开或常闭型,由电磁、液动或手动驱动。常用于卸荷、制动或方向控制回路。
该回路通常指采用二位或三位换向阀控制执行元件运动方向的基本回路。通过改变阀位,切换压力油和回油通路,使液压缸或马达正向或反向运动。
类似于换向回路1,可能特指采用不同中位机能的换向阀(如O型、H型)的控制回路。不同中位机能影响换向时系统的保压、卸荷或执行元件浮动等状态。
该阀有两个工作位置和四个油口(P、T、A、B)。通过切换阀位,可改变压力油与执行元件两腔的通断关系,实现执行元件的换向。常用于控制双作用液压缸的往复运动。
节流阀安装在执行元件的回油路上,通过调节回油流量控制执行元件速度。出口节流可产生背压,使运动平稳,并能承受负值负载,但系统效率较低,油温易升高。
该阀有三个工作位置和四个油口。中位机能多样(如M型、Y型),可实现执行元件停止时的不同状态(如锁紧、浮动、卸荷)。广泛用于需中途停止或复杂控制的液压系统。
节流阀安装在与执行元件并联的旁路上,部分油液经节流阀回油箱,从而调节进入执行元件的流量。该回路效率较高,但速度稳定性差,仅用于负载变化小、对平稳性要求不高的场合。
该阀有三个工作位置和五个油口,通常有两个回油口(T1、T2),可分别控制执行元件两腔的回油路径。适用于需独立控制回油背压或差动连接的回路。
采用单个溢流阀并联在泵出口,设定系统最高工作压力。结构简单,是最基本的压力控制回路,但压力不可调节,适用于压力恒定的小型系统。
机动换向阀(行程阀)通过机械挡块或凸轮推动阀芯换向。常用于行程控制的顺序动作回路,换向可靠、精度高,但安装位置受限制。
通过手动杠杆或按钮操作阀芯换向。结构简单、工作可靠,无需外部动力,常用于工程机械或试验设备的直接控制。
采用比例减压阀或先导式减压阀,实现输出压力的连续无级调节。输出压力不受输入压力波动影响,可远程或自动控制,适用于需要不同压力分支的复杂系统。
在立式液压缸的下行回油路上设置顺序阀或液控单向阀,产生一定背压以平衡重力负载,防止液压缸超速下降。可提高运动平稳性和安全性。
利用控制油路的压力油推动阀芯换向。需外接先导控制油路,适用于大流量、高压场合,换向平稳、推力大。
减压阀通过节流降压原理,将进口较高压力降低为稳定的出口低压。有定值输出型和定差输出型,常用于夹紧、控制、润滑等需要低压的支路。
在主油路中串联减压阀,为支路提供稳定的低压油源。可保证支路压力不受主路压力波动影响,常用于机床夹紧系统或不同压力需求的多个执行元件系统。
水冷却器通过流动的冷却水与高温液压油进行热交换,降低油温。通常采用壳管式或板式结构,需保证冷却水流量和清洁度,以维持系统正常工作温度。
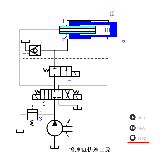
增速缸由大小两个活塞组成,快速行程时,小活塞腔进油,大活塞腔通过充液阀从油箱补油,实现快速前进;工进时,大小活塞腔同时进油,输出大推力但速度慢。适用于快进-工进组合的机床系统。
将液压缸两腔连通并同时通压力油,由于两腔有效面积差,活塞向有杆腔方向快速运动(差动快进)。该回路利用泵的全部流量,实现快速前进,常用于单泵供油的快进-工进回路。
两个调速阀并联,通过换向阀切换,分别控制执行元件的两种不同速度。速度换接时冲击较小,但两调速阀独立调节,互不影响。
两个调速阀串联,先后接入油路,实现两种进给速度的切换(通常一工进、二工进)。第二工进速度由两阀共同决定,且低于第一工进速度。常用于机床二次进给系统。
通过电磁换向阀控制先导式溢流阀的遥控口,实现系统的卸荷或安全保护。电磁铁得电,溢流阀开启卸荷;失电,系统升压。可远程或自动控制。
节流阀或调速阀安装在执行元件的进油路上,通过调节进入执行元件的流量控制其速度。该回路速度调节范围大,但回油背压为零,不能承受负值负载,运动平稳性较差。
节流阀串联在液压缸的进油路上,泵出口压力由溢流阀调定。调节节流阀开度改变进入缸的流量,从而控制速度。结构简单,但负载变化会引起速度明显波动。
蓄能器与液压缸并联,在快速运动时释放储存的压力油补充给缸,提高运动速度;在系统保压时补偿泄漏,维持压力。可减少泵的容量和能耗。
采用快速排气阀或差动连接,减少排气阻力或增加进气流量,实现气缸高速往复运动。常用于对速度要求较高的气动系统。
通过多个溢流阀和换向阀组合,实现系统三种不同压力的切换。各溢流阀调定不同压力,由换向阀选择其遥控口通断,从而改变系统压力。适用于多工序压力变化的设备。
由一大一小两泵组成,低压时双泵合流供油,实现快速运动;高压时,大泵通过卸荷阀卸荷,小泵单独供油实现工进。该回路能根据负载自动切换,节能效果好。
采用两个溢流阀分别调定高低压,通过换向阀切换,使系统在两种压力下工作。常用于压力机等设备的低压空程和高压工作行程。
利用行程阀检测第一个液压缸的到位信号,触发第二个液压缸动作。控制准确可靠,但管路布置较复杂,调整行程需改变挡块位置。
行程开关检测液压缸位置并发出电信号,控制相应电磁换向阀换向,实现多缸顺序动作。该回路调整方便,自动化程度高,广泛应用于自动化生产线.双作用增压缸的增压回路
双作用增压缸可连续输出高压油,通过换向阀自动换向,实现活塞往复运动均为增压行程。适用于需要连续高压且流量不大的场合。
在保压阶段,通过溢流阀或变量泵使泵在高压下仅输出补偿系统泄漏的小流量,维持系统压力。该回路保压效果好,但泵始终处于高压状态,能耗和发热较大。
采用液控单向阀或O型中位机能的换向阀,切断液压缸两腔油路,使活塞可靠锁停在任意位置。液控单向阀的锁紧精度更高,不受油液泄漏影响。
在保压阶段,泵卸荷或停机,由蓄能器释放压力油补偿系统泄漏,维持压力。该回路节能效果好,保压时间长,适用于保压要求高且需节能的场合。
采用H型或M型中位机能的换向阀,当阀处于中位时,泵输出的油液直接经换向阀中位通道回油箱,实现泵卸荷。结构简单,无需额外元件。
利用增压缸大小活塞面积比,将低压油转换为局部高压油,用于夹紧等需短时高压的支路。增压后高压腔不能回油,需换向阀复位释压。
在先导式溢流阀的遥控口接一远程调压阀(直动溢流阀),可实现远离主阀的压力调节。远程调压阀的设定压力必须低于主阀的设定压力。
通常指组合机床液压系统,包含快进(差动或双泵)-工进(调速阀)-快退的基本速度循环,以及夹紧、定位等辅助回路。具有多缸顺序动作、速度换接平稳等特点。
实现执行元件快速前进和慢速工作进给的速度切换。常用方法包括差动连接、蓄能器辅助、双泵供油或变量泵,工进则通过调速阀或节流阀控制。
当执行元件运动到预定位置,触发行程阀,改变油路通断状态,从而实现快慢速自动切换。该回路换接平稳、可靠,但行程调整不便。
两个调速阀串联,第一工进时仅一个调速阀工作;第二工进时两个调速阀同时工作,速度更低。该回路可实现两种较慢的工进速度,用于精加工。
两个调速阀并联,通过换向阀切换,分别获得两种不同的进给速度。两速度可独立调节,互不影响,换接时冲击较小。
液压缸快进时,行程阀处于初始状态,油路直通;当挡块压下行程阀,油路改经节流阀,切换为慢速工进。结构简单,换接可靠。
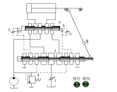
主要用于液压缸或工作台的换向缓冲。换向阀的阀芯上做出制动锥,在换向过程中逐渐关闭油路,实现减速制动,然后开启反向油路,平稳换向。可减少换向冲击。
多个液压缸按预定顺序动作。前一缸运动到位触发行程开关,发出电信号使控制下一缸的电磁阀换向。该回路控制灵活,易于实现自动化。
液压缸快进到位,触发行程开关,电磁阀得电,改变油路(如接入调速阀),切换为工进。通过电气控制,调整方便,易于与PLC等控制器集成。
资料特别声明:以上内容(如有图片或视频亦包括在内)为自媒体平台“网易号”用户上传并发布,本平台仅提供信息存储服务。
记者:在续约马奎尔的问题上,曼联内部存在分歧;贝巴:卡里克上周邀请我和谢什科谈谈
别再死磕IDE了!OpenAI Codex独立App上线,多智能体替你写代码
什么是好的“教育生态”? 培养学生坚韧与勇气的品质比任何标准答案都宝贵
机械师推出新款24寸显示器:1080P 144Hz IPS屏仅449元
华硕推出ROG超神32 OLED显示器PG32UCDM3,首发价8199元
简体中文
