开云(中国)Kaiyun官方网站

34个动控制原理图老电工看了都说好!-Kaiyun平台官方登录入口
语言选择: 简体中文 简体中文 您好!欢迎访问Kaiyun平台官方登录入口
液压元件生产、销售、品牌代理注重工作细节,提高服务品质
全国咨询热线:021-59961096
热门关键词: 控制系统电气原理图
您的位置: 首页 > 新闻动态 > 行业资讯

全国咨询热线

021-59961096

34个动控制原理图老电工看了都说好!

作者:小编 日期:2026-03-23 17:22:15 点击次数:

信息摘要:

34个动控制原理图老电工看了都说好!

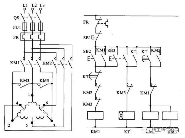
  今天为大家整理了一些各类电气控制接线图、电子元件工作原理图,还有可控硅整流电路及负反馈调速装置原理等等,希望对大家的工作有所帮助,一起来了解一下吧。

  在一个周期中,每个二极管只有三分这一的时候导通(导通角为120度)。负载两端的电压为线

34个动控制原理图老电工看了都说好!(图1)

34个动控制原理图老电工看了都说好!(图2)

  特别声明:以上内容(如有图片或视频亦包括在内)为自媒体平台“网易号”用户上传并发布,本平台仅提供信息存储服务。

  梅姨案细节公布!每交易一名儿童收1000元介绍费;网传照片都非本人,现阶段警方不会公布

【相关推荐】